Zárak
4727 LOCK (WITH HANDLE)


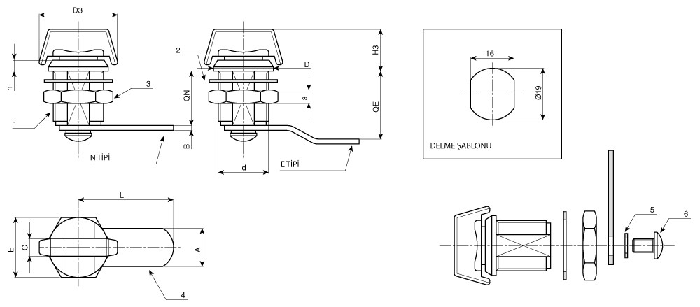
(1) Zamak cast lock body M19 rotor and handle. nickel plated.
(2) Black okside edilmiş, eRubber pul. Diameter 24x1 delik 19,4.
(3) Galvanized steel hexagonal nut M19x1.
(4) Galvanized steel lock handle. (Qn - N type flat - Qe - E type outward)
(5) Conical black oxidised steel elastic washer d.12x1,5.
(6) Galvanized steel Phillips domed bolt M5x8.
Turning diameter: 90°
| Code No | d | L | Qn | Qe | D | D3 | H3 | h | A | B | C | E | S | Şekil |
| 472720002 | M19 | 30 | 20 | - | 22 | 29 | 15 | 4 | 14 | 2.5 | 6.5 | 22 | 5 | N |
| 472725102 | M19 | 30 | - | 25 | 22 | 29 | 15 | 4 | 14 | 2.5 | 6.5 | 22 | 5 | E |
DOSSZIÉK
Zárak


HU 
TR
EN
RU
AR
FA
HE
EL
BG
ES
PL
RO
CS
DE
FR
ZH








